Ferro Ciriculus BCK11 – veggmontert badekar- og dusjbatteri, krom
Ferro Ciriculus BCK11 er et moderne veggmontert badekar- og dusjbatteri i elegant kromutførelse. Batteriet leveres med komplett dusjsett, noe som gjør det til en praktisk løsning både for badekar og daglig dusjbruk. Solid konstruksjon i messing sikrer lang levetid og pålitelig ytelse.
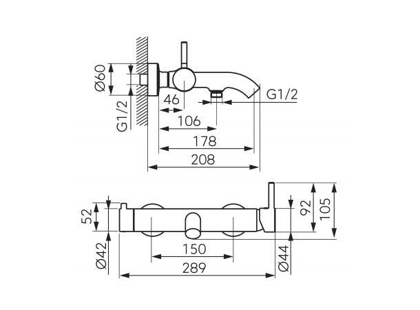
Modellen er utstyrt med keramisk patron for presis og jevn regulering av vannmengde og temperatur, samt keramisk omstiller for enkel veksling mellom tut og dusj. Den faste tuten har en rekkevidde på 178 mm, og perlator (Cache M24x1) bidrar til redusert vannforbruk.
Dusjsettet inkluderer en hånddusj i slitesterk ABS med én stråletype og en 1500 mm lang dusjslange i metallomspinning. Standard tilkoblinger (G1/2) og senteravstand på 150 mm gjør installasjonen enkel.
Egenskaper:
-
Veggmontert badekar- og dusjbatteri
-
Éngreps betjening
-
Farge: krom
-
Keramisk patron
-
Keramisk omstiller
-
Perlator: Cache M24x1
-
Fast tut
-
Komplett dusjsett inkludert
-
Hånddusj med 1 stråletype
-
Dusjslange 1500 mm (metallomspunnet)
-
Tilkobling: G1/2
-
Senteravstand: 150 mm
Tekniske data:
-
Art.nr.: BCK11
-
Merke: Ferro
-
Serie: Ciriculus
-
Materiale: messing
-
Høyde: 105 mm
-
Bredde: 289 mm
-
Dybde: 208 mm
-
Tutlengde: 178 mm
-
Lengde hånddusj: 220 mm
-
Strømningsklasse: A/A
-
Lydklasse: II/N